欢迎访问苏州锦兴瑞自动化科技有限公司官方网站!

热线电话:18896920782 / 18013270265 / 18112650782

< >
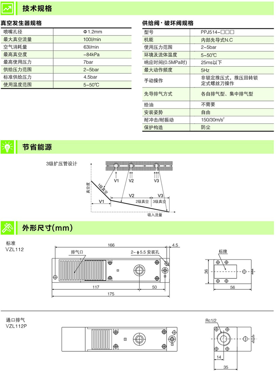
VZL112真空发生器

全国服务热线:18896920782 / 18013270265 / 18112650782

在线咨询

VPTEC苏州锦兴瑞自动化科技有限公司

电话:18896920782 / 18013270265 / 18112650782

地址:苏州市高新区星丰路9号1号楼412

邮箱:zhouguijia@163.com / jxr@jxr-vptec.com / zgj@jxr-vptec.com / wzf@jxr-vptec.com

Q Q:1467174607 / 617025176

扫一扫关注我们 扫一扫关注我们

版权所有:苏州锦兴瑞自动化科技有限公司   苏ICP备19048148号   苏公网安备32050502012398号   技术支持:易动力网络